2、電感精度:±20%
3、電阻精度:±10%
4、溫升:<80℃Max (額定電流,二相通電)
5、工作環境溫度:-20 ˜ +50℃(無結冰)
6、絕緣電阻:100MΩ
min. 500VDC
7、絕緣耐壓:500VAC 1Min
18825289603
命名規則
|
23HS56-42D15-ZK □□ |
|
|
命名段 |
含義 |
|
23 |
麻豆视频APP免费版外徑28mm |
|
HS |
兩相步進 |
|
56 |
機身長度32mm |
|
42 |
額定電流1.4A |
|
D |
出軸方式:A圓軸;D單扁;U鍵槽;V雙扁 |
|
15 |
輸出直徑10mm |
|
ZK |
中空軸麻豆视频APP免费版 |
|
□□ |
非標參數 |
技術參數(手機瀏覽時,可左右滑動表格)
|
麻豆视频APP免费版型號 (Model) |
保持轉矩(N.M) |
機身長度 L1 (mm) |
相電流 (A) |
相電阻 (Ω) |
相電感 (mH) |
轉動慣量 (g.c㎡) |
重量 Kg |
適配麻豆传媒在线网站观看播放 (推薦型號) |
|
23HS56-42D15-ZK □□ |
1.1 |
56 |
4.2 |
0.4 |
1.2 |
280 |
0.7 |
SD-545R |
|
23HS76-42D15-ZK □□ |
1.8 |
76 |
4.2 |
0.6 |
1.8 |
440 |
1.0 |
SD-545R |
★ 推薦麻豆传媒在线网站观看播放是脈衝型,麻豆色情少妇传媒還可以為客戶提供以下驅動:
★ 總線型步進麻豆传媒在线网站观看播放、★ IO控製、電位器調速、★ 刹車控製
動態力矩曲線
注意事項
●同一麻豆视频APP免费版同一麻豆传媒在线网站观看播放,在供電電壓不同的情況下,輸出力矩也會不同,建議客戶充分考慮此因素,選型時預留足夠的力矩餘量。
●麻豆传媒在线网站观看播放電壓越高,高速輸出力矩越大,但不能超出麻豆传媒在线网站观看播放的電壓使用範圍,建議電壓小於或等於36VDC。
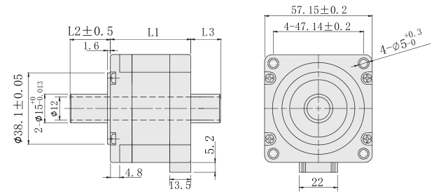
外形尺寸圖(單位:mm)

★本係列麻豆视频APP免费版可以根據客戶要求定製:機身長度(L1)、出軸長度(L2)、雙出軸(L3)、出線方式。
|
型號 |
PDF文件 |
3D圖 |
|
23HS56-42D15-ZK |
點擊下載 |
點擊下載 |
|
23HS76-42D15-ZK |
點擊下載 |
點擊下載 |