2、電感精度:±20%
3、電阻精度:±10%
4、溫升:<80℃Max (額定電流,二相通電)
5、工作環境溫度:-20 ˜ +50℃(無結冰)
6、絕緣電阻:100MΩ
min. 500VDC
7、可非標定製
18825289603
命名規則
|
34E76-60-15.875-2.54-300-B □□ |
|
|
命名段 |
含義 |
|
34 |
麻豆视频APP免费版外徑86mm |
|
E |
外部驅動式 |
|
76 |
機身長度76mm |
|
60 |
額定電流6.0A |
|
15.875 |
絲杆直徑15.875mm |
|
2.54 |
導程2.54mm |
|
300 |
絲杆長度300mm |
|
B |
A:消隙螺母; B:刹車; C:編碼器 |
|
□□ |
非標標識 |
技術參數(手機瀏覽時,可左右滑動表格)
|
麻豆视频APP免费版 規格 |
機身長(mm) |
相電流 (A) |
相電阻 (Ω) |
相電感 (mH) |
轉動慣量 (g.c㎡) |
重量 Kg |
適配麻豆传媒在线网站观看播放 (推薦型號) |
|
34 |
76 |
6.0 |
0.5 |
4 |
1300 |
2.4 |
SA-872E |
|
34 |
114 |
6.0 |
0.6 |
8 |
250 |
5.0 |
SA-872E |
★ 推薦麻豆传媒在线网站观看播放是脈衝型,麻豆色情少妇传媒科技還可以為客戶提供以下驅動:
★總線型步進麻豆传媒在线网站观看播放、★IO控製、★電位器調速。
|
直線絲杆(mm) |
導程(mm) |
步長(mm) |
斷電自鎖力(N) |
|
15.875 |
2.54 |
0.0127 |
2000 |
|
3.175 |
0.015875 |
1500 |
|
|
6.35 |
0.03175 |
200 |
|
|
12.7 |
0.0635 |
50 |
|
|
25.4 |
0.127 |
20 |
動態力矩曲線


★測試條件:恒流驅動,無加速度,2細分,驅動電壓40V。
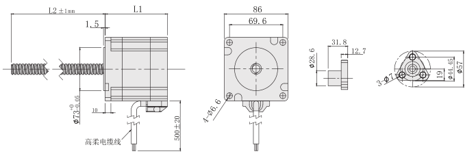
外形尺寸圖(單位:mm)
★本係列麻豆视频APP免费版可以根據客戶要求定製絲杆長度(L2) 、絲杆端部。