2、一體式抱緊換式輸入軸,傳動更平穩。
3、
4、交期短,性價比高。
18825289603
命名規則
|
24HS56-35D8PF05 □□ |
|
|
命名段 |
含義 |
|
24 |
麻豆视频APP免费版外徑60mm |
|
HS |
兩相步進 |
|
56 |
機身長度56mm |
|
35 |
額定電流3.5A |
|
D |
出軸方式:A圓軸;D單扁;U鍵槽;V雙扁 |
|
8 |
輸出直徑8mm |
|
PF05 |
輸出端形狀比速:方形5比 |
|
□□ |
非標參數 |
技術參數(手機瀏覽時,可左右滑動表格)
|
麻豆视频APP免费版型號 (Model) |
保持轉矩(N.M) |
機身長度 (mm) |
相電流 (A) |
相電阻 (Ω) |
相電感 (mH) |
轉動慣量 (g.c㎡) |
重量 Kg |
適配麻豆传媒在线网站观看播放 (推薦型號) |
|
24HS56-35D8PF05 □□ |
1.50 |
56 |
3.5 |
0.85 |
3.00 |
300 |
0.70 |
SD-545R |
|
24HS65-30D8PF05 □□ |
2.10 |
65 |
3.0 |
0.65 |
1.60 |
380 |
1.00 |
SD-545R |
|
24HS87-40D8PF05 □□ |
3.20 |
87 |
4.0 |
0.70 |
2.50 |
400 |
1.40 |
SD-545R |
★ 推薦麻豆传媒在线网站观看播放是脈衝型,麻豆色情少妇传媒還可以為客戶提供以下驅動:
★ 總線型步進麻豆传媒在线网站观看播放、★IO控製、電位器調速
動態力矩曲線
注意事項
●同一麻豆视频APP免费版同一麻豆传媒在线网站观看播放,在供電電壓不同的情況下,輸出力矩也會不同,建議客戶充分考慮此因素,選型時預留足夠的力矩餘量。
●麻豆传媒在线网站观看播放電壓越高,高速輸出力矩越大,但不能超出麻豆传媒在线网站观看播放的電壓使用範圍,建議電壓小於或等於48VDC。
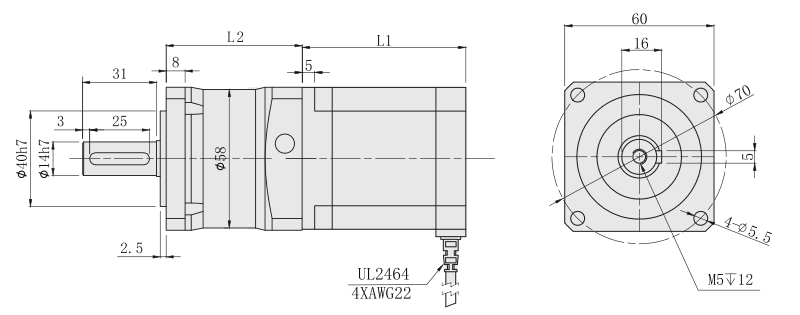
外形尺寸圖(單位:mm)
★本係列麻豆视频APP免费版可以根據客戶要求定製:機身長度(L1)、減速箱長度(L2)、出線方式;
★加配:斷電刹車、IP65等級防水工藝。
|
型號 |
PDF文件 |
3D圖 |
|
24HS56-35D8PF05 |
點擊下載 |
點擊下載 |
|
24HS65-30D8PF05 |
點擊下載 |
點擊下載 |
|
24HS87-40D8PF05 |
點擊下載 |
點擊下載 |