2、電感精度:±20%
3、電阻精度:±10%
4、溫升:<80℃Max (額定電流,二相通電)
5、工作環境溫度:-20 ˜ +50℃(無結冰)
6、絕緣電阻:100MΩ
min. 500VDC
7、可非標定製
18825289603
命名規則
|
11N34-05-4.76-0.635-100 □□ |
|
|
命名段 |
含義 |
|
11 |
麻豆视频APP免费版外徑28mm |
|
N |
貫通軸式 |
|
34 |
機身長度34mm |
|
05 |
額定電流0.5A |
|
4.76 |
絲杆直徑4.76mm |
|
0.635 |
導程0.635mm |
|
100 |
絲杆長度 100mm |
|
□□ |
非標標識 |
技術參數(手機瀏覽時,可左右滑動表格)
|
麻豆视频APP免费版 規格 |
機身長(mm) |
相電流 (A) |
相電阻 (Ω) |
相電感 (mH) |
轉動慣量 (g.c㎡) |
重量 Kg |
適配麻豆传媒在线网站观看播放 (推薦型號) |
|
11 |
34 |
0.5 |
2.1 |
1.4 |
9 |
0.12 |
SD-422R |
|
11 |
45 |
1.0 |
2.9 |
2.3 |
13 |
0.18 |
SD-422R |
★ 推薦麻豆传媒在线网站观看播放是脈衝型,麻豆色情少妇传媒科技還可以為客戶提供以下驅動:
★總線型步進麻豆传媒在线网站观看播放、★IO控製、★電位器調速。
|
直線絲杆(mm) |
導程(mm) |
步長(mm) |
斷電自鎖力(N) |
|
4.76 |
0.635 |
0.003175 |
100 |
|
1.27 |
0.00635 |
40 |
|
|
2.54 |
0.0127 |
10 |
|
|
5.08 |
0.0254 |
1 |
|
|
10.16 |
0.0508 |
0 |
動態力矩曲線


★測試條件:恒流驅動,無加速度,2細分,驅動電壓24V。
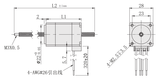
外形尺寸圖(單位:mm)
★本係列麻豆视频APP免费版可以根據客戶要求定製絲杆長度(L2) 、絲杆端部。