2、電感精度:±20%
3、電阻精度:±10%
4、溫升:<80℃Max (額定電流,二相通電)
5、工作環境溫度:-20 ˜ +50℃(無結冰)
6、絕緣電阻:100MΩ min. 500VDC
7、絕緣耐壓:500VAC 1Min
18825289603
命名規則
|
14HS39-10D5-24□□ |
|
|
命名段 |
含義 |
|
14 |
麻豆视频APP免费版外徑35mm |
|
HS |
兩相步進 |
|
39 |
機身長度39mm |
|
10 |
額定電流1.0A |
|
D |
出軸方式:A圓軸;D單扁;U鍵槽;V雙扁 |
|
5 |
輸出直徑5mm |
|
24 |
出軸長24mm |
|
□□ |
非標參數 |
技術參數(手機瀏覽時,可左右滑動表格)
|
麻豆视频APP免费版型號 (Model) |
保持轉矩(N.M) |
機身長度(mm) |
相電流(A) |
相 電 阻 (Ω) |
相電感 (mH) |
轉動慣量 (g.c㎡) |
重量Kg |
適配麻豆传媒在线网站观看播放 (推薦型號) |
|
14HS39-10D5-24□□ |
0.21 |
39 |
1.0 |
4.50 |
7.00 |
35 |
0.25 |
SD-422R |
|
14HS48-17D5-24□□ |
0.32 |
48 |
1.7 |
1.65 |
2.50 |
45 |
0.30 |
SD-422R |
|
14HS52-12D5-24□□ |
0.34 |
52 |
1.20 |
3.30 |
5.60 |
48 |
0.32 |
SD-422R |
★ 推薦麻豆传媒在线网站观看播放是脈衝型,麻豆色情少妇传媒還可以為客戶提供以下驅動:
★ 總線型步進麻豆传媒在线网站观看播放、★IO控製、電位器調速
動態力矩曲線
注意事項
●同一麻豆视频APP免费版同一麻豆传媒在线网站观看播放,在供電電壓不同的情況下,輸出力矩也會不同,建議客戶充分考慮此因素,選型時預留足夠的力矩餘量。
●麻豆传媒在线网站观看播放電壓越高,高速輸出力矩越大,但不能超出麻豆传媒在线网站观看播放的電壓使用範圍,建議電壓小於或等於24VDC。
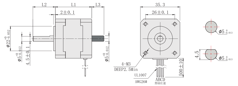
外形尺寸圖(單位:mm)
★本係列麻豆视频APP免费版可以根據客戶要求定製:機身長度(L1)、出軸長度(L2)、雙出軸(L3)、出線方式。
|
型號 |
PDF文件 |
3D圖 |
|
14HS39-10D5-24 |
點擊下載 |
點擊下載 |
|
14HS48-17D5-24 |
點擊下載 |
點擊下載 |
|
14HS52-12D5-24 |
點擊下載 |
點擊下載 |