產品特點
2、電感精度:±20%
3、電阻精度:±10%
4、溫升:<80℃Max (額定電流,二相通電)
5、工作環境溫度:-20 ˜ +50℃(無結冰)
6、絕緣電阻:100MΩ
min. 500VDC
7、絕緣耐壓:500VAC 1Min
命名規則
|
08HS30-06D4-21□□ |
|
|
命名段 |
含義 |
|
08 |
麻豆视频APP免费版外徑20mm |
|
HS |
兩相步進 |
|
30 |
機身長度30mm |
|
06 |
額定電流0.6A |
|
D |
出軸方式:A圓軸;D單扁;U鍵槽;V雙扁 |
|
4 |
輸出直徑4mm |
|
21 |
出軸長21mm |
|
□□ |
非標參數 |
技術參數(手機瀏覽時,可左右滑動表格)
|
麻豆视频APP免费版型號 (Model) |
保持轉矩(N.M) |
機身長度(mm) |
相電流(A) |
相 電 阻 (Ω) |
相電感 (mH) |
轉動慣量 (g.c㎡) |
重量Kg |
適配麻豆传媒在线网站观看播放 (推薦型號) |
|
08HS30-06D4-21□□ |
0.016 |
30 |
0.6 |
6.5 |
1.5 |
2 |
0.05 |
SD-422R |
|
08HS38-06D4-21□□ |
0.026 |
38 |
0.6 |
4.5 |
1.5 |
3 |
0.06 |
SD-422R |
|
08HS40-08D4-21□□ |
0.032 |
40 |
0.8 |
5.5 |
1.5 |
3 |
0.08 |
SD-422R |
★ 推薦麻豆传媒在线网站观看播放是脈衝型,麻豆色情少妇传媒還可以為客戶提供以下驅動:
★ 總線型步進麻豆传媒在线网站观看播放、★IO控製、電位器調速、★刹車控製
動態力矩曲線
注意事項
●同一麻豆视频APP免费版同一麻豆传媒在线网站观看播放,在供電電壓不同的情況下,輸出力矩也會不同,建議客戶充分考慮此因素,選型時預留足夠的力矩餘量。
●麻豆传媒在线网站观看播放電壓越高,高速輸出力矩越大,但不能超出麻豆传媒在线网站观看播放的電壓使用範圍,建議電壓小於或等於24VDC。
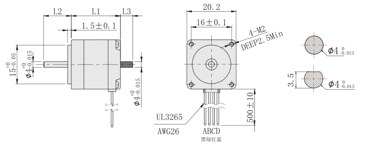
外形尺寸圖(單位:mm)
★本係列麻豆视频APP免费版可以根據客戶要求定製:機身長度(L1)、出軸長度(L2)、雙出軸(L3)、出線方式。
|
型號 |
PDF文件 |
3D圖 |
|
08HS30-06D4-21 |
點擊下載 |
點擊下載 |
|
08HS38-06D4-21 |
點擊下載 |
點擊下載 |
|
08HS40-08D4-21 |
點擊下載 |
點擊下載 |